欢迎来到波尔泰系统门窗、潍坊金成铝业有限公司!
热门搜索:门窗 幕墙 五金 阳光房 系统门窗 断桥铝
服务热线:
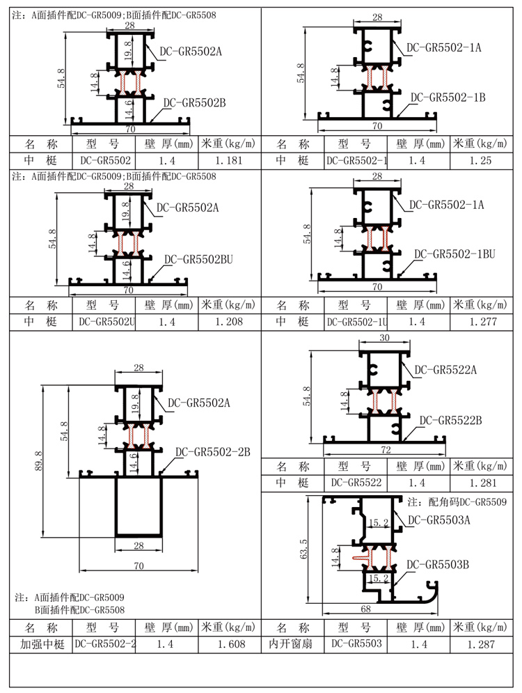
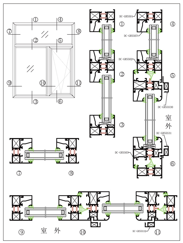
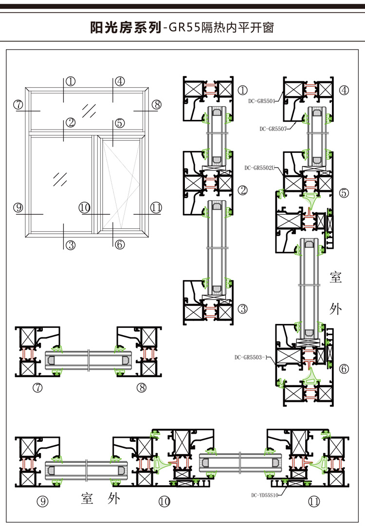
网站首页展厅体验馆> GR55隔热内平开窗
在线咨询在线沟通,请点我在线交谈
董经理:18765166693 刘经理:15110131288